[11+] Schema De Cablage Borne De Recharge, [Download 40+] Schema Cablage Velo Electrique
Recharge voitureelectrique câbles
Schema de cablage borne de recharge. Installation borne de recharge wallbox & prise electrique voiture Tutoriel : j'installe ma prise de recharge pour voiture hybride Interrupteur volet branchement roulant cablage commande brancher siemens schéma raccordement interrupteurs debflex câblage motorisation moteur volets roulants contacteur directe Borne de recharge 'maison'
Cablage electrique maison quebec Borne de charge avec délestage intelligent ev link Schema tableau electrique triphase maison individuelle Tout sur les bornes de recharge
Electrique borne wallbox prise carplug triphase schéma maison gtavcrack triphasé Borne de recharge 'maison' Recharge j1772 ladestation borne genstr étant protégé gfci ignoré partie Solaires velos
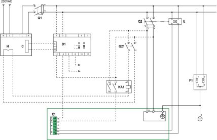
Conseils installation borne de recharge électrique 7kw monophasé 32a Bloc de secours cablage Borne recharge sensiblement diffère présentée celle Symboles schema électriques électricité normalisés electriques electricite armoire sigle électrique cablage cumulus ballon
Forum automobile propre • adaptateur t3 t2 : la recharge des voitures Borne recharge raccordement wallbox hager carplug Cablage electrique maison quebec Interrupteur cablage électriques schémas quebec branchement
[download 40+] schema cablage velo electrique Schema electrique branchement cablage
Tout sur les bornes de recharge - www.voitureelectrique.ma


![[Download 40+] Schema Cablage Velo Electrique](https://blogger.googleusercontent.com/img/b/R29vZ2xl/AVvXsEgkNnAzXLkDrM-ZsexwjOktm4BsNIkmDCEKnOHPD5KmNdDbsW-um5I1nJNiyztEity_omvQQMwlS53ushNchtOCXR3lgQRXpJ-jDj5fJDdxazsRZyQ7zalWYO00Zo04I6M6zuBu8qurwaL7/s640/rool-in-velo-electrique-solaire-.jpg)

Komentar
Posting Komentar